Bremstrommelabzieher

Aus ta-wiki
Wechseln zu: Navigation, Suche

Bremstrommelabzieher vorne

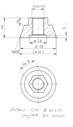
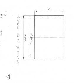
Der Bremstrommelabzieher ist ein unverzichtbares Werkzeug, für das Abziehen der Bremstrommel der Vorderachse. Mit einem entsprechendem Einsatz kann man mit diesem Abzieher auch das äußere Radlager ausbauen. Dieses besitzt eine Nut in die der Abzieher eingreift. Alternative Werkzeuge wie z.B. ein Dreiarmabzieher sind ungeeignte und führen zu einem Verziehen oder Beschädigung der Trommel. Es gibt halb-offene Abzieher, die für sehr fest-sitzenden Trommeln vielleicht ungeeignet sind. Üblich ist die Ausführung als geschlossener Abzieher, der in der Mitte zweigeteilt ist. Er wird im offenen Zustand über die Wulst der Bremstrommel zusammengesetzt und mit einem Ring fixiert. Der Abzieher ist bei den einschlägigen Händlern erwerbar. Für Eigenbauer mit Drehbank anbei eine technische Zeichnung für den Bremstrommelabzieher vorne 11CV Bilder unten und (PDF):
Datei:Bremstrommelabzieher vorn 11CV.pdf

Bild 1
Bild 2
Bild 3

Anwendung

1. Gewinde und Auflagefläche des Abziehers mit MOS2- oder Kupferpaste versehen

2. Aufsetzen und Anziehen

3. Wenn es nicht weitergeht und die Trommel sich nicht gelöst hat mit einem Feustel ein paar Schläge auf die Schraube geben

4. Nach dem Klopfen kann man die Schraube wieder etwas nachziehen

5. Wieder abwechselnd Klopfen und Nachziehen bis sich die Trommel löst

Die Punkte 3 und 4 lieber in kleinen Schritten wiederholen anstatt brachial zu hämmern und zu schrauben.So kriegt man in der Regel auch die hartnäckigste Trommel ab.

Bremstrommelabzieher hinten

Abzieher hinten auf Trommel

Dieser Bremstrommelabzieher wird an die vorhandenen Radbolzen geschraubt um dann die Bremstrommel gegen die Achse abzuziehen.